SJKM3L ELCB Earth Leakage Circuit Breaker with High Sensitivity
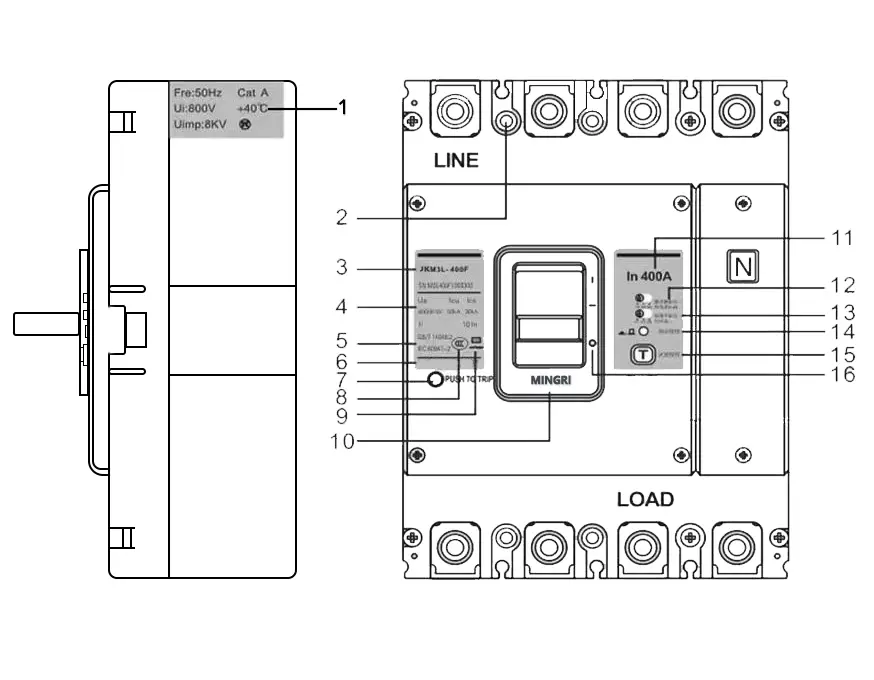
Type Designation

| 1 | Technical Parameters |
| 2 | Mounting Holes |
| 3 | Product Model |
| 4 | Breaking Capacity |
| 5 | Compliance Standards |
| 6 | Manufacturer Name |
| 7 | Trip Button |
| 8 | Certification Mark |
| 9 | Circuit Breaker with Isolation Function |
| 10 | Manufacturer Logo |
| 11 | Rated Current |
| 12 | Rated Residual Operating Current |
| 13 | Ultimate Non-operating Time |
| 14 | Earth Leakage Indicator Button |
| 15 | Earth Leakage Test Button |
| 16 | Close, Trip, Open |
product Display
Technical Parameters
| SJKM3L-125 | SJKM3L-160 | ||||||
| Rated Voltage Ue (V) | 230(2P)/400/415 | 230(2P)/400/415 | |||||
| Rated Current In (A) | 16/20/25/32/40/50/63/80/100/125 | 100/125/140/160 | |||||
| Rated Insulation Voltage Ui (V) | 800 | 800 | |||||
| Rated Impulse Withstand Voltage Uimp (kV) | 8 | 8 | |||||
| Number of Poles | 2/3/4(A,B) | 2/3/4(A,B) | |||||
| Rated Residual Operating Current I△n mA (3-step adjustable) | Non-delayed Type | 30mA,100mA,300mA | 30mA,100mA,300mA | ||||
| 100mA,300mA,500mA | 100mA,300mA,500mA | ||||||
| Time-delayed Type | 100mA,300mA,500mA | 100mA,300mA,500mA | |||||
| Rated Residual Non-operating Current I△no mA | 50%I△n | 50%△n | |||||
| Non-delayed Type: Tripping Time s | ≤0.1 | ≤0.1 | |||||
| Fixed Delay: 2I△n Ultimate Non-operating Time s (Special Order) | 0.1/0.2/0.3/0.4/0.5/1 | 0.1/0.2/0.3/0.4/0.5/1 | |||||
| Adjustable Delay: Ultimate Non-operating Time at 2I△n s (Standard) | Y1:0.1/0.2/0.3s | Y1:0.1/0.2/0.3s | |||||
| Y2:0.4/0.5/1s | Y2:0.4/0.5/1s | ||||||
| Breaking Capacity | C (3/4P) | S | F (3/4P) | C (3/4P) | S | F (3/4P) | |
| lcu(415V) | 20 | 35 | 50 | 20 | 35 | 50 | |
| Ics(415V) | 12 | 21 | 30 | 12 | 21 | 30 | |
| Rated Residual Short-circuit Making Capacity I△m(kA) | 25%Icu | 25%Icu | 25%Icu | 25%Icu | |||
| Mechanical Endurance | With Maintenance | 20000 | 40000 | 20000 | 40000 | ||
| Maintenance-free | 10000 | 20000 | 10000 | 20000 | |||
| Electrical Endurance at 400V | 4000 | 8000 | 4000 | 8000 | |||
| Modular Accessory Installation | ■ | ■ | |||||
| Isolation Function | ■ | ■ | |||||
| Protection Type | Distribution Protection | Distribution Protection | |||||
| Motor Protection (Not available for 2P) | Motor Protection (Not available for 2P) | ||||||
| Tripping Method | Thermal-magnetic Trip | ■ | ■ | ||||
| Magnetic-only Trip | ■ | ■ | |||||
| Connection Method | |||||||
| Fixed Front Terminal Connection | ■ | ■ | |||||
| Fixed Rear Terminal Connection (No 2P) | ■ | ■ | |||||
| Plug-in Rear Terminal Connection (No 2P) | ■ | ■ | |||||
| Dimension (mm) | 2P | 62*150*72 | 75*165*74 | ||||
| 3P | 92*150*93.5 | 107*165*94 | |||||
| 4P | 122*150*93.5 | 142*165*94 | |||||
SJKM3L Series Overcurrent Characteristic Curve Diagram

Left Diagram: SJKM1LE-125 Time-Current Characteristic Curve(Motor)
Right Diagram: SJKM1LE-250 Time-Current Characteristic Curve(Motor)

Left Diagram: SJKM1LE-400 Time-Current Characteristic Curve(Motor)
Right Diagram: SJKM1LE-630,800 Time-Current Characteristic Curve(Motor)
Operating Principle Diagram
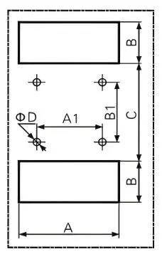
SJKM3L Series Plug-in Front/Rear Panel Hole Position Diagram

| Frame | Number of Poles | A | A1 | B | B1 | C | D | |
| Plug-in Front Connection | 125 | 3 | / | 30 | / | 110 | / | 5 |
| 4 | ||||||||
| 160/250 | 3 | / | 35 | / | 150 | / | 5 | |
| 4 | ||||||||
| Plug-in Rear Connection | 125 | 3 | 94 | 60 | 40 | 67 | 90 | 5.5 |
| 4 | 124 | 90 | ||||||
| 160/250 | 3 | 110 | 70 | 45 | 74 | 100 | 6.5 | |
| 4 | 145 | 105 | ||||||
| 400 | 3 | 157 | 88 | 60 | 145 | 170 | 8.5 | |
| 4 | 205 | 132 | ||||||
| 630 | 3 | 212 | 140 | 62 | 143 | 185 | 11 | |
| 4 | 282 | 210 | ||||||







Claire
Mr.Fu

Claire















