ZGS11-Z.T Integrated Photovoltaic Step-up Substation
Type Designation

| 1 | Pad-Mounted Transformer |
| 2 | Common Tank Type |
| 3 | Three-Phase |
| 4 | Performance Level 11/13 |
| 5 | PV Generation Terminal Type |
| 6 | Rated Capacity (kVA) |
| 7 | Rated Voltage (kV) |
Operating Conditions
Operating Altitude: ≤3000m
Temperature Range: -40°C to +45°C
Wind Resistance: ≤30m/s (outdoor installations)
Humidity Tolerance: ≤95% daily / ≤90% monthly average
Power Supply Requirements: Balanced 3-phase sinusoidal waveform
Installation Site: Must be free from explosive hazards, chemical corrosion, excessive vibration, and heavy pollution
For applications beyond these standard conditions, custom configurations are available upon consultation.
product Display
Key Features
√ Wider operating range (-40°C/+45°C vs original -25°C/+50°C)
√ Higher altitude capability (3000m vs 1000m)
√ Added wind speed specification
√ Clarified power quality requirements
√ Maintained all safety restrictions
Technical Parameters
¤ Rated Voltage Class: 35kV and below 10kV
¤ Frequency: 50Hz ¤Insulation Level (See table below)
| Rated Voltage (kV) | Maximum System Voltage (kV,rms) | Power Frequency Withstand Voltage (kV,rms/1min) | Lightning Impulse Withstand Voltage (kV,peak) |
| ≤1 | ≤1.1 | 5 | |
| 10 | 12 | 35 | 75 |
| 35 | 40.5 | 85 | 200 |
External Layout Drawing

Foundation Installation Drawing

Note: Final foundation dimensions subject to project-specific agreement with manufacturer.
Ordering Notice
Product operating site and special requirements:
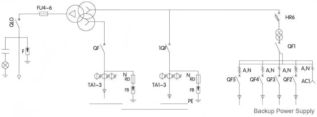
1. Provide product ordering drawings, which should include wiring diagrams and indicate transformer capacity, main component model specifications, distribution branch circuits, and capacity
2. When it is necessary to configure electric energy metering and reactive power automatic compensation devices, the requirements for the configuration of the metering meter and transformer should be provided, and the capacity of the compensation capacitor should be indicated
3. Specify the requirements for surface treatment of the product







Claire
Mr.Fu

Claire










